行业资讯

  • 便携式充电桩检测仪!浅谈电动车充电养护的小方法

      电动车充电养护的注意事项如下:  充电时间:充电时间不宜过长,避免电池过度充电,建议在充满电后立即拔掉充电器。  充电环境:尽量在通风良好、温度适中的环境下进行充电,避免高温或低温环境对电池造成损害。  充电器选择:使用原装充电器进行充电,避免使用劣质或低质量的充电器导致电池损坏。  电池维护:定期检查电池连接是否......

    2024-05-22
  • 便携式充电桩检测仪!为什么电动车充电器变绿灯后还在充电

        电动汽车充电器变绿灯了,为什么还在不停的进行充电充电?为什么在最后的1-2小时充进去的电电量这么小?为什么充电功率会不停的改变,而不总是相同的功率?你有相同的问题吗?那么小区充电站厂家就来说一下这个问题。  一、电动车充电器红灯到绿灯是什么原理?  这是由充电器内部的电压检测电路操控的。电池充电的进程是一个恒流......

    2024-05-22
  • 充电桩测试!电动车充电桩带来的生活便捷

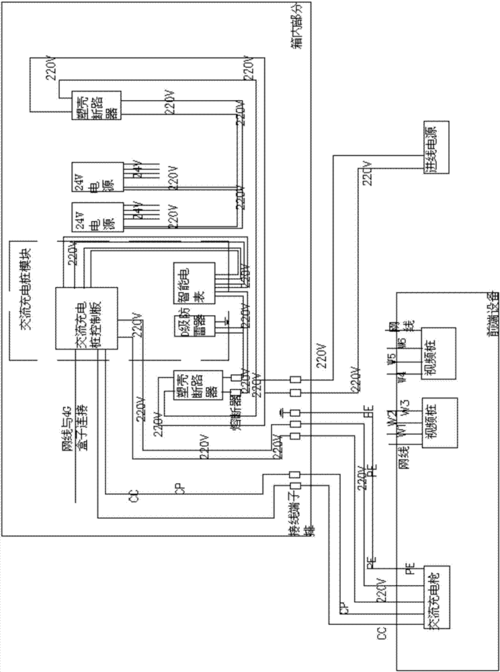
        充电桩是指为电动汽车提供能量补充的充电装置,其功能类似于加油站里面的加油机,可以固定在地面或墙壁,安装于公共建筑(公共楼宇、商场、公共停车场等)和居民小区停车场或充电站内,可以根据不同的电压等级为各种型号的电动汽车充电。  充电桩的输入端与交流电网直接连接,输出端都装有充电插头用于为电动汽车充电。充电桩一般提供......

    2024-05-22
  • 充电桩测试!充电桩直流和交流的区别

        充电桩直流和交流的主要区别体现在充电速度、充电方式、安装要求以及外观等方面。  1.充电速度:直流充电桩采用三相四线制供电,输出电压和电流调整范围大,充电速度快,通常被称为“快充”,充满动力电池需要1.5至3小时。而交流充电桩则采用220V电源,充电速度较慢,被称为“慢充”,充满电一般需要8至10小时。  2.......

    2024-05-22
  • 充电桩测试!电动汽车充电桩市场发展前景如何,小编带你了解

        电动汽车充电桩市场在过去几年中一直在快速发展,这个市场的前景也非常光明。以下是充电桩市场发展的一些趋势和关键因素:  电动汽车销售增长:随着对环保和能源持续的增加,电动汽车销售逐年增长。这推动了电动汽车充电桩市场的拓展,因为电动汽车主要需要充电基础设施。  政府支持:许多国家和地区都制定了政策和法规,以促进电动......

    2024-05-22
  • 充电桩计量检测仪!电动汽车充电桩充电快慢影响因素都有哪些?

        随着这几年政府大力推广新能源汽车,人们对于电动汽车的兴趣越来越浓。大街巷总能听到人们谈起电动汽车,说起电动汽车第一个绕不开的话题就充电,因为它直接决定用户的体验。目前充电桩分为交流充电桩和直流充电桩两种,一个快一个慢。从交流桩来讲,国内大部分慢速充电桩或充电盒均采用220v交流充电,输出电流分别为16A或32A......

    2024-05-22
欢迎来到斯康达
欢迎来到斯康达
在聊天开始前,请留下您的信息,我们会尽快回复您
  • *
  • *
  • *
  • *